![]()
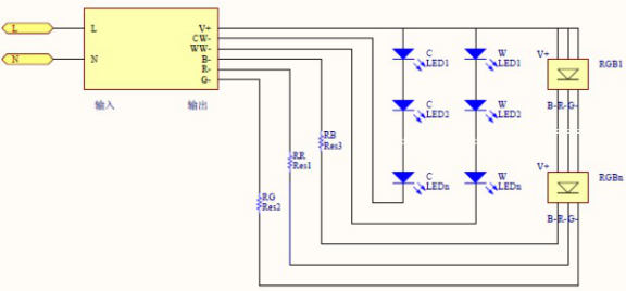
RGBW智能控制器,是華輝照明電氣傾力打造的一款智能吸頂燈照明控制器 1、可通過智能手機、平板電腦、遙控器等實現無線連接,,達到智能控制效果 2、進行開關控制、定時控制、調節燈光亮度,實現按需控制,達到節能效果 3、可以根據需要調節燈光色溫和絢麗顏色,滿足各娛樂和類似場景需求,并有音樂互動模式,隨音樂節奏律動變換各種燈光絢麗色彩,打造夢幻空間,實現了氛圍照明與主照明效果的互動切換。 本產品搭配語音中控,可語音控制,配合WIFI轉藍牙網關,可進行遠程控制。 |
![]()
| 產品型號:HBD-0300012R 外形尺寸:¢74*30mm 參數:12W/15W/24W 輸入電壓:220-240V 50Hz 輸出電流:300mA/400mA/600mA 輸出電壓:DC 36V 輸出最大電壓:40V 功率因素:0.5 |

| 色彩控制器 |
![]()
![]() | 1、每個產品采用獨立的內盒包裝。 |

![]()
![]()
▼1、本產品為室內燈具,不具有防水功能,禁止在戶外、潮濕、高溫、全封閉或易燃易爆場所中使用。 |
![]()














線路一:廣州白云機場→機場路→S81廣州環城高速→龍溪大道/芳村/海八路/佛山→海八東路→S82佛山一環高速→G325/龍江/勒流龍洲公路→百安公路
線路二:廣州火車、汽車站→環市西路→珠江大橋/芳村/廣佛公路/S81環城高速(西環) →芳村大道西→S82佛山一環高速→龍洲公路→百安公路
| * 聯系人: | 請填寫您的真實姓名 |
| * 手機號碼: | 請填寫您的聯系電話 |
| 電子郵件: | |
| * 采購意向描述: | |
| 請填寫采購的產品數量和產品描述,方便我們進行統一備貨。 | |
| 驗證碼: |
|
| 我要評論: | |
| 內 容: |
(內容最多500個漢字,1000個字符) |
| 驗證碼: | 看不清?! |
照明產品分類
- 智能照明
- LED照明
- 傳統照明
LED面板燈
- 直發光LED面板燈
- 側發光LED面板燈
- LED辦公吊線燈
- LED非標定制燈
LED格柵燈盤
- 暗裝LED格柵燈盤
- 明裝LED格柵燈盤
- LED空調格柵燈盤
- 非標定制LED格柵燈盤
按使用場所分類
- 寫字樓照明LED燈具
- 學校照明LED燈具
- 醫院照明LED燈具
- 商場照明LED燈具
- 酒店照明LED燈具
- 房地產照明LED燈具
- 智能家居照明LED燈具
OEM&ODM加工
- LED教室燈黑板燈
- LED面板燈
- LED格柵燈盤
- LED日光燈管
- LED燈管支架
佛山市順德區華達電器制造有限公司
服務熱線:400-930-3600
電話:13702627055
微信:13702627055
QQ:2755796541Email:hd011@gdhuada.com
地址:廣東佛山市順德區勒流鎮大晚工業大道3號










共有-條評論【我要評論】